概述
JX-22信號繼電器應用于直流操作保護線路中,作為信號指示器用。繼電器由電流或電壓動作,燈光信號,磁保持,手復歸或電復歸。可靠性好,可替代原有的DX-11、DX-11A系列、DX-8、DX-8G系列,DXM-2A系列,DX-30系列等電磁型信號繼電器。JX-22采用導軌安裝結構,具有接線方便、多個拼接、整定精度高、動作準確等特點。
JX-22型號及其含義
JX-22工作原理

JX-22信號繼電器由光電耦合和電阻等器件組成采樣檢測回路。當被測信號到達一定值時,光耦開通,開通信號經一個運算放大器放大,推動后級出口回路,使出口繼電器動作。并由自保持回路進行自保持,在啟動回路信號消失后繼電器依然處于動作狀態,只有在按下復歸按鈕或在復歸端施加復歸電壓后,繼電器方可返回。
JX-22主要特點
■動作速度快,克服了原電磁式繼電器不能指示真空開關快速動作信號的缺陷。
■既具有就地復歸方式,又具有遠方復歸方式,可實現遠程控制。
■JX-22的復歸方式有通電與斷電兩種,以便用戶靈活選擇。
■既有電保持,又有磁保持,信號記憶可靠,帶有多組動合觸點,既可接入LED光字牌或白熾燈光字牌,也能滿足遠傳要求。
■電流啟動型啟動電流通用范圍寬(0.01~2A),極大地便于用戶選型和壓縮庫存。
■可導軌安裝也可面板開孔安裝。
JX-22啟動類型及額定值
| 型號 |
啟動類型 |
啟動值 |
可替代型號 |
| JX-11 |
電壓型 |
DC48V、DC110V、DC220V |
DX11、DX11A |
| JX-12 |
電流型 |
0.01A~2A |
DX11、DX11A |
| JX-21 |
電壓型 |
DC48V、DC110V、DC220V |
DX8 |
| JX-22 |
電流型 |
0.01A~2A |
DX8 |
| JX-31 |
電壓型 |
DC48V、DC110V、DC220V |
DX31A、DX31B |
| JX-32 |
電流型 |
0.01A~2A |
DX31A、DX31B |
| JX-21A |
電壓型 |
DC48V、DC110V、DC220V |
DX8 |
| JX-21B |
電壓型 |
DC48V、DC110V、DC220V |
DX8 |
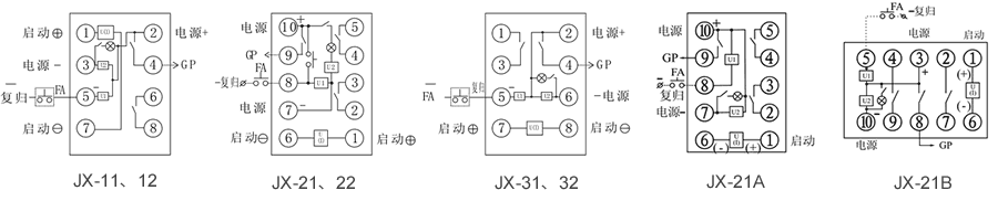
接線圖
JX-22技術參數
| 額定參數 |
| 電壓型啟動值 |
DC48V、110V、220V可選 |
| 電流型啟動值 |
0.01A~2A |
| 功耗 |
≤5W |
| 絕緣性能 |
| 絕緣電阻 |
繼電器外殼與外露帶電端子之間用開路電壓500V的兆歐表測量,絕緣電阻不小于10MΩ |
| 絕緣耐壓 |
繼電器外殼與外露帶電端子之間能耐受2KV(有效值)50Hz試驗電壓,歷時1分鐘,無擊穿或閃絡現象 |
| 環境條件 |
| 環境溫度 |
-15℃~55℃ |
| 工作電壓 |
不大于120%額定電壓 |
| 工作位置 |
任意 |
| 周圍磁場強度 |
小于0.5mT |
| 環境相對濕度 |
不大于90% |
| 大氣壓力 |
80~110KPa |
| 溫度 |
-25℃~+70℃ |
| 海拔高度 |
不大于2500 米 |
主要特點
導軌安裝結構
嵌入式面板安裝結構