RZXL-D概述
RZXL-D繼電器用于斷路器合位監視,跳位監視,電源失電監視回路中,特別適合新型的進口開關。本產品具有啟動電流小,啟動線圈內阻大,交直流通用的特點。
具有以下特點:
1、RZ系列繼電器是采用導軌式安裝結構,體積小,安裝方便。
2、跳位、合位采用電子光隔啟動,啟動電流小、內阻大、交直流通用。
3、輔助電源交直流通用。
4、采用多個進口小型密封繼電器組成,功耗低發熱小、動作時間快。
5、觸點容量大。
RZXL-D技術參數
1、額定值:額定電壓 DC/AC110V、220V、380V。
2、動作值:動作電壓直流應不大于額定電壓 70%,交流應不大于額定電壓 80%;
3、動作時間:直流大不于15ms,交流不大于25ms。
4、觸點容量:在電壓不超過250V,電流不超過1A,時間常數為5ms±0.75ms直流有感負荷電路中,斷開容量為150W;
在電壓不超過250V,電流不超過10A,功率因數為cosφ=0.4±0.1的交流電路中,斷開容量為1500VA。輸出觸點在上述規定
的負荷條件下,產品能可靠動作及返回5×104次。輸出觸點長期允許接通電流為5A。
5、啟動回路電流不大于1mA,啟動回路內阻200K-500K之間(根據配合斷路器電壓等級不同而不同),訂貨時能提供所監視
斷路器跳合閘線圈的功率或內阻,方便出廠時準確調整好啟動電流,保證使用時斷路器不誤動作。
6、功率消耗:在額定電壓下不大于5W/5VA。
7、絕緣耐壓:繼電器所有電路對外殼及非帶電金屬部分,以及電氣無聯系的各電路之間耐受交流 50HZ電壓2KV歷時1分鐘試驗無擊穿。
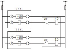
RZXL-D實例接線圖
<div class="right"
