








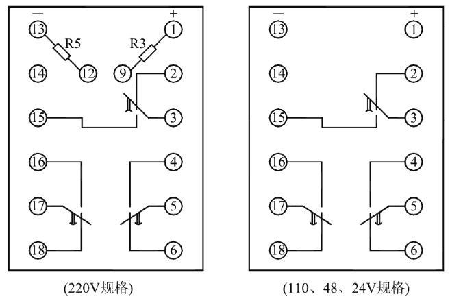
BS-14時間繼電器由集成電路、電阻、電容及干簧繼電器等元件組成。當繼電器加入額定電壓時J2經降壓電阻R3、R5外附得到電壓而動作,使其動斷觸點打開,此時電容器C1經電位器及電阻(R4、R1)而充電,隨著充電時間的增長,7點電位將逐漸增高,當達到集成電路的驅動值時,從而使集成電路驅動干簧繼電器J1并接通輸出繼電器J3,這樣就使被控制的電路按一定的延時接通。繼電器延時的調整是靠改變電位器R4來實現,其延時的獲得是靠電容器充電來實現。

| 型號 | 延時范圍 | 時間一致性 | 電源類型 | |
| BS-11 | 0.15~1.5S | 0.06S | AC/DC:24V、48V、110V、220V(直流220V應外附電阻) | |
| BS-12 | 1~5S | 0.12S | AC/DC:24V、48V、110V、220V(直流220V應外附電阻) | |
| BS-13 | 2~10S | 0.25S | AC/DC:24V、48V、110V、220V(直流220V應外附電阻) | |
| BS-14 | 4~20S | 0.5S | AC/DC:24V、48V、110V、220V(直流220V應外附電阻) | |








