什么是防逆流設備 在電力系統中,一般都是由配電變壓器向電網內各負載送電,稱為正向電流。安裝光伏電站后,當光伏系統功率大于本地負載的功率時,消納不完的電力要送入電網,由于電流方向和常規的相反,即稱為“逆流”。正常光伏發電系統是將光伏組件直流電轉變成交流電并入電網,帶防逆流的光伏系統是光伏發的電僅供給就地負載使用,防止光伏系統發出的電送入電網。

防逆流保護配置要求 防逆流保護裝置又稱為逆功率保護裝置,主要針對低壓配電網側的光伏并網發電系統,一般認為光伏發電功率不大于并網側上級配電變壓器容量的20%是合適的。目前,電網公司通常要求光伏并網系統為不可逆流發電系統,即光伏并網系統所發的電由本地負荷消耗,多余的電不允許通過低壓配電變壓器向上級電網逆向送電。在并網發電系統中,由于外部環境是不斷變化的,為了防止光伏并網系統逆向發電,系統需要配置1套防逆流保護裝置。通過實時監測配電變壓器低壓出口側的電壓、電流信號來調節光伏發電系統的發電功率,從而達到光伏并網系統的防逆流功能,其原理圖如下所示。

防逆流裝置工作原理 檢測交流電網(AC400V,50Hz)供電回路三相電壓、電流(測量點),判斷功率流向和功率大小。如果電網供電回路出現逆功率現象,當逆功率值大于逆功率定值(可設定,單位W二次功率值)時,按照各個出口延時時限的不同,當延時超過相應出口的延時后,驅動該出口動作,跳閘順序為先跳出口1,再跳出口2,依次類推, 逐級斷開清潔電源并網系統中8個模組,直到逆功率現象消失。保護原理如下圖所示。

防逆流保護裝置的特點 ●發生頻率過高時裝置采用跳閘保護。
●裝置實現了分布式電源并網點處所需設備的集成化、簡約化,實現分布式電源接入配電網的即插即用。
●所有保護動作后,自動有壓合閘仍可動作一次,若動作一次后20S 內保護再次動作,則永遠閉鎖自動有壓合閘,直到手合、遙合命令發出后再次開放自動有壓合閘。
●具有自動有壓合閘。
●發生有壓自動合閘時裝置采用跳閘保護。
●裝置可集中組屏也可地分散安裝在高壓開關柜上,各間隔功能獨立,各裝置之間僅通過網絡聯結,信息共享,這樣整個系統不僅靈活性很強,而且其可靠性也得到了很大提高,任一裝置故障僅影響一個局部元件。
●防逆流設備集成分布式電源并網所需的開關設備、保護、測控、通信等功能,滿足分布式電源接入的孤島檢測、自動安全并網、保護及安全隔離等要求。
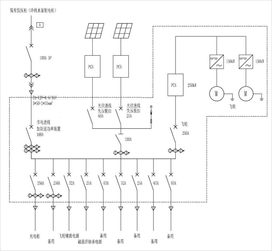
光伏防逆流設備典型圖紙 
上一篇:
光伏設備預制艙
下一篇:
故障解列裝置