什么是閉鎖繼電器
閉鎖繼電器是一種電控制器件,是在交流電壓回路斷線而可能引起的繼電保護誤動作時,對繼電保護進行閉鎖,作用于中性點非直接接地系統中。
用途
LB-7靜態閉鎖繼電器是上海聚仁電力在傳統電磁型繼電器的基礎上進行研發升級的。主要適用于發電廠及變電所內高壓母線上的電壓互感器(PT)的二次側、當高壓母電時防止工作人員誤合接地刀閘。安裝LB-7閉鎖繼電器可防止此類安全問題的發生。
特點
1、LB-7閉鎖繼電器帶有三個單獨的LED燈分別顯示A、B、C相是否帶電或缺相,并且具有獨立的閉鎖燈顯示;
2、由傳統的電磁型升級為電子型靜態繼電器,LB-7的硬件更安全可靠,升級后接線方式與傳統的電磁型閉鎖繼電器基本一致;
3、帶有MCU單片機采樣控制,具有獨立判定;
4、LB-7閉鎖繼電器采用導軌安裝,殼體具有體積小、外形美觀等優點,并且符合歐規標準;
5、抗干擾能力強EMC(浪涌、脈沖群、靜電)等試驗可過4級;
6、在-40℃~70℃環境溫度下能夠可靠運行。
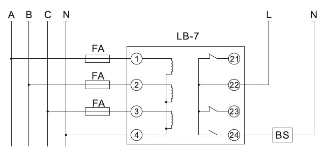
LB-7閉鎖繼電器接線圖

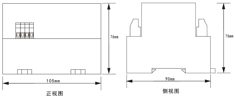
外觀尺寸圖

上一篇:
光伏發電防孤島保護裝置的作用
下一篇:
非接觸式高壓帶電顯示器