



產品型號:HBDNY-63電流繼電器
觸點形式:1常開1常閉
動作時間:小于30ms
返回時間:小于25ms
AC電壓:220V、240V、380V
DC電壓:110V、220V
安裝方式:導軌安裝

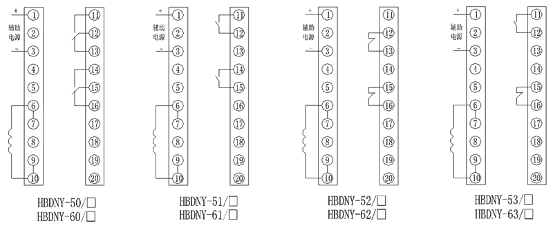
HBDNY-63電流繼電器采用進口集成電路構成。被測量的交流電流I~經隔離變流器后,在其次級得到與被測、電流成正比的電壓Ui。經定值整定后進行整流,整流后的脈沖電壓經濾波器濾波,得到與Ui成正比的直流電壓Uo。在電平檢測中Uo與直流參考電壓Ue進行比較,若直流電壓Uo低于參考電壓,電平檢測器輸出正信號,驅動出口繼電器,繼電器處于動作狀態,反之,若直流電壓Uo高于參考電壓Ue,電平檢測輸出負信號,HBDNY-63處于不動作狀態。原理如下圖所示:


| 額定參數 | |
| 直流額定電壓 | 110V、220V可選 |
| 交流額定電壓 | 220V、240V、380V可選 |
| 直流動作電壓 | ≤70%額定電壓 |
| 交流動作電壓 | ≤75%額定電壓 |
| 動作時間 | 過電流≤20ms,低電流≤30ms |
| 返回時間 | 過電流≤30ms,低電流≤25ms |
| 過電流返回系數 | >0.90 |
| 低電流返回系數 | <1.1 |
| 功耗 | ≤5W |
| 絕緣性能 | |
| 絕緣電阻 | 繼電器外殼與外露帶電端子之間用開路電壓500V的兆歐表測量,絕緣電阻不小于10MΩ |
| 絕緣耐壓 | 繼電器外殼與外露帶電端子之間能耐受2KV(有效值)50Hz試驗電壓,歷時1分鐘,無擊穿或閃絡現象 |
| 環境條件 | |
| 環境溫度 | -15℃~55℃ |
| 工作電壓 | 不大于120%額定電壓 |
| 工作位置 | 任意 |
| 周圍磁場強度 | 小于0.5mT |
| 環境相對濕度 | 不大于90% |
| 大氣壓力 | 80~110KPa |
| 溫度 | -25℃~+70℃ |
| 海拔高度 | 不大于2500 米 |






